產品說明
◎加熱熱源有蒸汽、電、電蒸汽兩用型三種方式。
◎使用溫度:蒸汽加熱50-140℃,^高150℃;電加熱50-350℃;
◎溫度實行自動控制,并且有記錄儀記錄;
◎箱體內壁均滿焊,各過渡處均采用圓弧過渡,無死角。
◎整機密封性好,獨特的導軌密封裝置,保證了整機的密封性;
◎進風口配套高效空氣過濾器;排濕口配套中效空氣過濾器。
◎雙開門烘箱雙門實現機械聯鎖;
◎烘箱內各零部件均可快速拆卸、快速安裝,以方便清洗;
◎控制系統備有文本顯示器、觸摸屏可供選擇;
◎整機符合“GMP”要求。
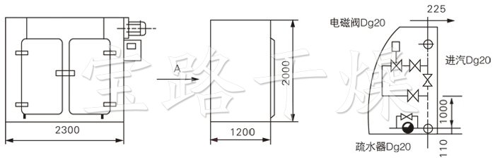
結構示意圖

技術規格
| 型號/規格 |
每次干燥量 (kg) |
風機功率 (kw) |
耗用蒸氣 (kg/h) |
烘車 (輛) |
烘盤 (只) |
寬×深×高 (mm) |
上下溫度 (℃) |
| GMP-O | 35 | 0.45 | 8 | / | 16 | 1130×1100×1750 | ±2 |
| GMP-I | 120 | 0.45 | 18 | 2 | 48 | 2300×1200×2000 | ±2 |
| GMP-II | 240 | 0.9 | 36 | 4 | 96 | 2300×2200×2000 | ±2 |
| GMP-III | 360 | 1.35 | 54 | 6 | 144 | 3430×2200×2000 | ±2 |
| GMP-IV | 480 | 1.8 | 72 | 8 | 192 | 4460×2200×2290 | ±2 |